特点:
最大推力可达 250KG
铝合金内外管设计,底盖加固设计最大负载 250KG 时速度 3.5mm/s涡轮蜗杆传动
可内置霍尔传感器
防护等级可达 IP65 ,适合室外使用48V/36V/24V /12V 电机均可选择超静音功能
免维护
定制:
执行器的定制是为了配合您的实际需求。不管您有怎样的技术要求,您可以告知我们,我们的工程师可以最大限度的按照 您的要求给您配置最适合的执行器产品。JIMI 品牌执行器产品线可以广泛定制,并且在定制特殊执行器方面非常有经验,也愿意配合您的要求来特殊定制。
霍尔传感器反馈:
霍尔传感器是根据霍尔效应制作的一种磁场传感器,可以用来确定伸缩管的位置。
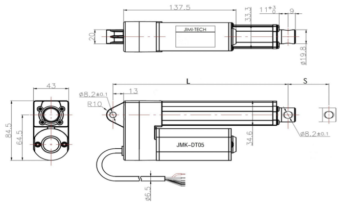
标准产品安装尺寸:
Stroke: 30~300mm
L =S+112mm Stroke: 300~500mm L =S+120mm
Stroke: 500~600mm L =S+130mm 图纸安装孔向为正 90 度,(标准)

带霍尔产品安装尺寸:
Stroke: 30~300mm L =S+112mm Stroke: 300~500mm L =S+130mm
Stroke: 500~600mm L =S+150mm 图纸安装孔向为正 90 度,(标准)

如何选型订购:
